图知网
搜索
首页
热门推荐
图片分类
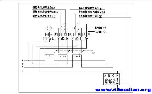
三相四线直接式卡式电表外接磁力脱扣器接线图
下载原图
相关图片
连城
器的常开点串联到开关分励脱扣线图,脱扣线圈电源就可以取ac220v/380v
美篇
塑料外壳式断路器分励脱扣器安装接线图
智能脱扣器二次接线图 求指导讨论
求助电工老师傅插卡电表外接脱扣器的接法
为你推荐
"宣"字的艺术体 最好附图
林俊杰1028咸阳 钢琴弹唱合集
潜伏
女童假发可爱齐刘海宝宝短发內扣自然波波头仿真拍照道具整顶发套
女童发育期小背心初中学生吊带内衣青春期中大童少女文胸纯棉抹胸
分体三件套泳衣女遮肚显瘦保守性感夏季泡温泉学生2022年新款大码
李信一念神魔第一个头像第二个壁纸
火车车厢硬卧 17号18号19号20号 这四个床铺是否在一个包厢里面吗?