图知网
搜索
首页
热门推荐
图片分类
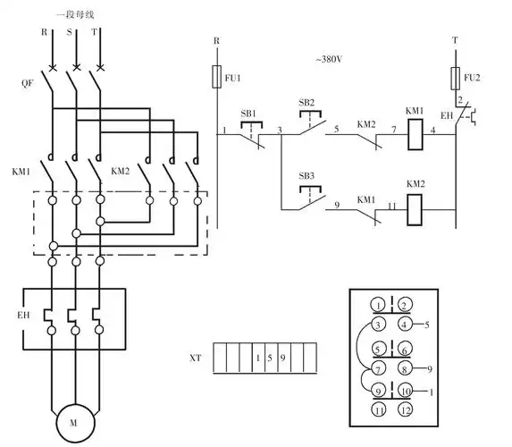
接触器控制380v电机如何接线?经典启保停电路是最优解
下载原图
相关图片
图10-22 电动机的接触器正反转控制电路
用上下各一固定浮飘一个接触器可以控制一台水泵自动补水吗?
接触器控制电机正反转图纸
所有分类 高等教育 工学 正反转控制电路上一页第9页 下一页 接触器
电工基础的控制原理,接触器自锁,实物,原理图,详解
交流接触器控制电路求知
为你推荐
13cm 23.14cm香奈儿coco handle 手提包粒面牛皮材质原版k金!
福建农村豪宅,室内带电梯,一栋为老人着想的别墅
【英雄联盟】dj 娑娜(琴女) t1终极皮肤 特效&3d展示_哔哩哔哩_bili
预防感冒简笔画怎么画
玉子x饼藏甜腻到爆
周末在家可陪孩子玩的5种亲子游戏 - 幼儿园亲子游戏 - 好幼师网_好
丁香
智式丹妮奇特孔明锁六根鲁班锁6通6根古典益智玩具早教休闲孔明锁