图知网
搜索
首页
热门推荐
图片分类
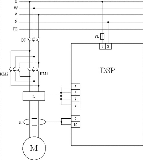
三相异步电机直接启动控制电路设计原理图
下载原图
相关图片
电动机直接启动电路图
电动机直接启动电路图
配电柜直接启动控制线路安装
热继型电动机综合器直接启动接线电路
电机直接启动原理图(包括一次接线图 ,二次控制指示)谢谢!
直接启动是低压电动机最基本的启动方式,应用范围很广,一般中小企业和
为你推荐
angelababy 金色礼服长裙:优雅灵魂的内娱美人
搭配大波浪羊毛卷发型更加吸睛原来金晨过年也烫头,好像小羊肖恩!
战场原黑仪物语系列壁纸合集
陶笛洞洞谱《奢香夫人》六孔陶笛g指法,喜欢的朋友快一起学起来 - 抖
美拍:美女瑜伽健身运动裤搭配小背心尽显凹凸有致完美身材
「斗破苍穹」集模堂美杜莎女王1/4手办雕像_美杜莎女王_斗破苍穹_雕像
你在名单上吗?细数中国玩家网游七宗罪
结束语谢谢观看字体设计