图知网
搜索
首页
热门推荐
图片分类
屋面上人孔
下载原图
相关图片
毕业设计 人孔图集人孔图集,机械设计图纸
hg_t21527-2005 回转拱盖快开人孔施工图
hg21522-2005水平吊盖板式平焊法兰人孔
化工部人孔标准
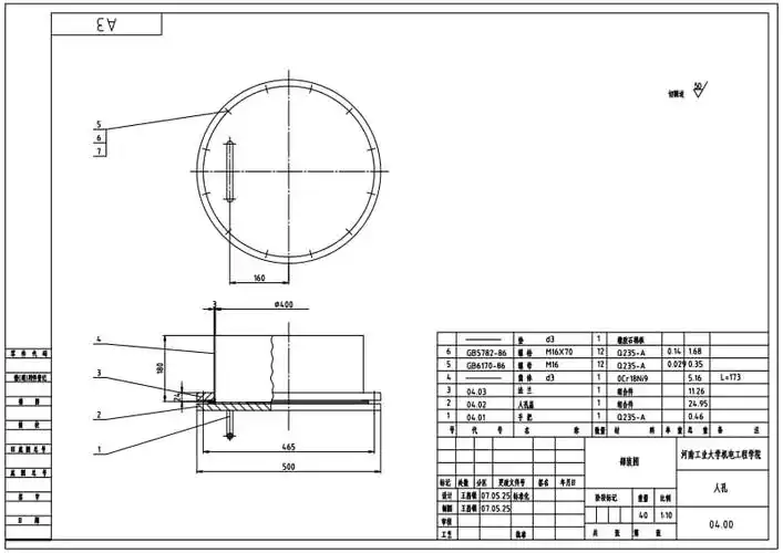
人孔a3pdf
人孔组件
为你推荐
江诗丹顿石英表新表怎么开机? - 奢表库
红古球锁 古铜色球形锁 铜芯大钥匙 室内房门锁 圆锁 包邮
丁腈手套_轻薄丁腈手套 耐油手套 50-n110g - 阿里巴巴
绝美咕咕#188男团 #一醉经年漫画 #快看漫画双男主 - 抖音
运动少年王一博雪中飞舞酷盖一狗一人雪中走
undertale auundertalesanspapyrustoby fox热度(282)评论(1)查看全文
无人,横图,室外,特写,白天,仰视,美景,景观,云,云朵,云彩,一朵,白色
他只是回家了 再见乡秀树