图知网
搜索
首页
热门推荐
图片分类
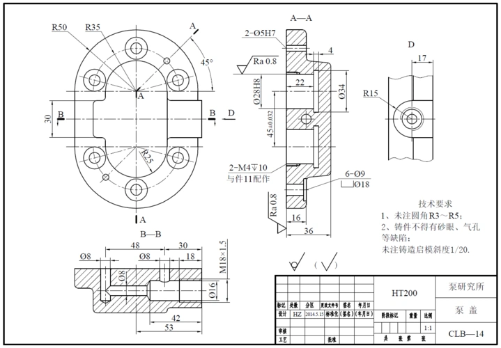
西工大机械制图附图3,问其拆画零件图答案
下载原图
相关图片
技术制图
机械制图习题,求解答!机体的表达方法综合应用.在线等,谢谢
安全阀机械制图图纸
新标准机械制图图集 42.箱体(ljt06.42) inventor
机械制图看零件图.doc
机械制图求解,简单地画一下剖视图,谢谢,在线等!
为你推荐
陈奕迅 - 《十年》无损音版
外星人被泡酒
粉色感恩母亲节策划宣传ppt模板
【图说】省委副书记,省长许达哲考察洪江古商城
微软发布officeformac更新excel原生支持苹果芯片
四川达州遗弃女婴的情况有了新发展:有网友透露,孩子的父亲在一 - 抖
手绘卡通五官眼睛眉毛免抠图
男星离开了刘海,李易峰,杨洋帅到没朋友,鹿晗更是大变样!