图知网
搜索
首页
热门推荐
图片分类
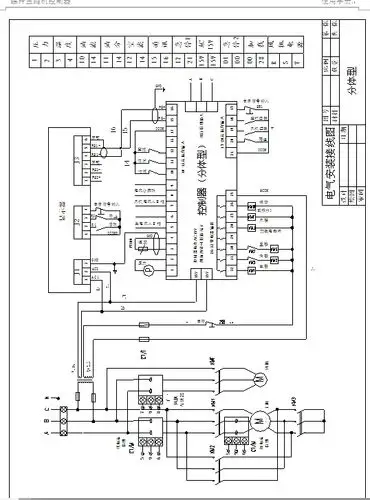
高压电机驱动螺杆压缩机电气控制原理图
下载原图
相关图片
螺杆式空压机mam880控制器电气原理图
空压机电路图
空气压缩机电路
980a螺杆空压机接线图
空气压缩机控制电路原理图.jpg
沧州空压机螺杆式电脑控制图
为你推荐
点赞 评论 koto koto 插画 蓝 壁纸 梦幻 0 10 缄溯 发布到 星
迈向2021创意剪影背景图
小户型必备南瓜沙发ins简约风懒人沙发
幼儿园春天环境布置
元 哥窑高足碗
水的三种形态之间的变化,其实是温度的变化
足球队最多几个替补(国际足联:允许每场比赛每队换5人,仅限2019/20及
希望所有烟台人都知道万象汇周年庆啦