图知网
搜索
首页
热门推荐
图片分类
电容器充电示意图电容器的基本作用就是充电与放电,但由于这种基本
下载原图
相关图片
观察电容器的充放电现象
再提供一个电容充电的常用公式:vc=e(1-e(-t/r*c)).
第三节电容器的充放电教案
放电现象的实验电路如图甲所示,将开关s与a端相连,电容器充电;然后把
实训报告 电容器充放电延时电路的安装 开关sb由1端拨向2端,已充电的
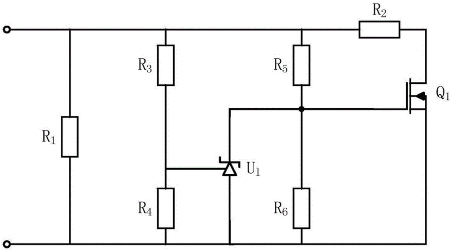
一种电容器放电电路的制作方法
为你推荐
54岁古天乐和63岁梁朝伟的近照,医美老去和自然衰老,区别太大了
undertale——sans&frisk
幼儿儿歌《我是小班小朋友》的简谱是怎样的?
名机鉴赏麦道md500量产4600架最优秀的轻型直升机
南京河西中央公园现500平米巨型锦鲤彩绘|喷泉广场_网易订阅
宣传册设计加橙教育是一家充满活力与教育热枕的留学定制服务公司关注
【官方直销】叶罗丽盲盒笔精灵梦笔可爱高颜值按动笔盲盒夜萝莉女生
16蝙蝠侠阿克汉姆起源boss战6-萤火虫_单机游戏_波士怎么样_游玩