图知网
搜索
首页
热门推荐
图片分类
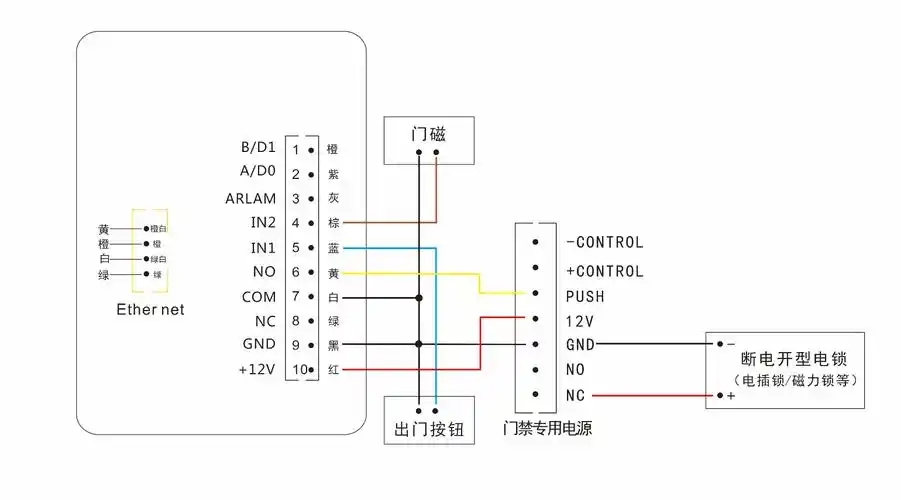
自动感应门的好处 自动感应门接线图
下载原图
相关图片
直线平移门一体机电机电动遥控开门机平开门别墅电动门机
恒春电动门电气原理图接线图
图三 系统接线示意图
二维码门禁一体机接线图
开门机的接线问题
刷卡自动门,刷卡感应门_接线图分享
为你推荐
超萌版动漫情侣头像两张一组高清qq好看的情头图片
苹果xr换后盖还是手工慢有激光机就好了
清新护眼绿色嫩芽图片桌面壁纸
齐白石虾图真迹多少钱(国画大师齐白石虾图特点赏析)-紫奕百科
三国杀·国战 四灵系列 卡牌diy 第3弹
河南微型耕作机 旋耕机 小型田间管理机 除草开沟多功能微耕机
作者:石丸 博子出版社:フロンティアワークス出版年:2004-9-22定价
花盆卡通图片大全