图知网
搜索
首页
热门推荐
图片分类
【肢体语言】各种手语 手势图片大全
下载原图
相关图片
漫画《名侦探柯南》引发中国人数字手势大讨论
法国人怎样用手势表示1到10的数字
手势图片
在白色的不同的手势集照片-正版商用图片11o5cl-摄图新视界
强国少年 #手势舞完整版#六一儿童节#十一国庆节 #原创手势舞#萌知
可爱的手势装饰插画
为你推荐
男孩励志加油拼搏表情包动图gifgif打工人努力搬砖拼搏努力奋斗动图
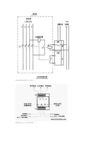
消防强切模块接线图doc
教学视频小学数学五下用圆设计美丽的图案预习指导
这周五下午三点半我们班做了ppd试验 已过四十五小时>请问我现在的
水君炎帝
出塞诗配画 #诗情画奕 #原创手绘 #儿子的作品 - 抖音
典峰实木佛龛带门佛柜观神台供台佛台吊柜促销佛柜
半斤九斤红鸡苗活体快大型肉鸡红玉鸡活苗大红公鸡脱温苗公鸡苗活