图知网
搜索
首页
热门推荐
图片分类
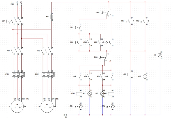
污水泵两泵控制线路
下载原图
相关图片
污水泵二次回路控制原理
两台一用一备排污泵控制电路图
水泵控制原理图
排污泵一备一用电路图
一种排污泵带隔油提升装置的控制电路制造方法及图纸,污水隔油提升
排污泵是如何实现控制的
为你推荐
鸟笼画眉画眉鸟不锈钢龙头钩子挂钩精品百灵鹩哥鸟笼
粉黑文字壁纸被我找到啦
思茅区委副书记,区人民政府区长
卧室里的台灯图片
《佛图》
爱玑·薄荷精油 peppermint oil 【单方能量精油】 商品图0
课程表模板格式汇总
神魔剑 景天仙魔剑仙剑奇侠传3兵器镇妖剑影视镇宅刀剑收藏未开刃