图知网
搜索
首页
热门推荐
图片分类
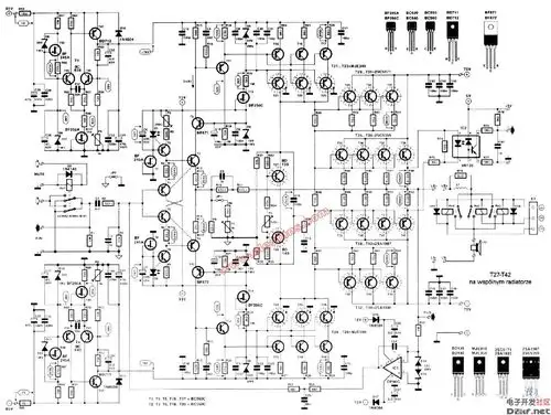
luxman力士sq-707 otl功放电路图-图纸
下载原图
相关图片
专业功放的解析及升级
超大功率功放机电路图
100w 功放电路图
100w 功放电路图
te-3817mm功放原理图
怀旧小功放完工啦
为你推荐
易烊千玺更新50图黄发胡渣造型叛逆感十足看不到正脸粉丝却直呼过年了
南阳走出来的豫剧名家柏青:是家乡的白河水养育了我-新闻人物-国内
龚俊快乐大本营
"女生都是越被爱越可爱的"#素颜 #照片分享 - 抖音
淡水观赏鱼的种类大全你认识几个
病理切片结果显示:部分肾脏出现肾间质炎性细胞浸润,远端肾小管扩张
自建房石材大门案例图及风水讲究
沉默的猿的相册-苑冉