图知网
搜索
首页
热门推荐
图片分类
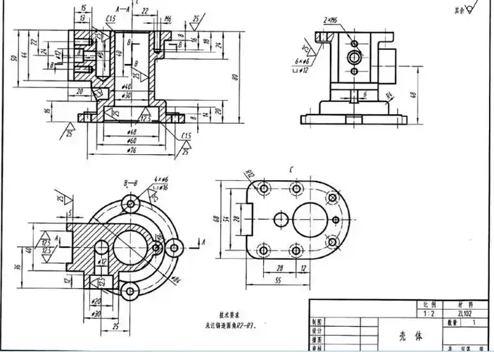
拨叉壳体零件图林dwgpdf
下载原图
相关图片
eq140汽车转向器壳体零件图
a3-微电机壳 零件图.pdf
1机壳零件图pdf
题712读壳体零件图按下列要求完成作图
变速箱壳体铣面夹具设计【说明书 cad proe】
gj180-壳体零件加工工艺及从底部钻底面4-Φ7孔夹具设计【含cad图纸
为你推荐
冥冥之中的天意,恰好照射出蓝海,而你恰好低头看@tfboys-王俊凯#给
蒙娜丽莎画蒙娜丽莎画像
百韵笺 清水溪原创设计 复古女装海棠刺绣改良汉服交领上衣 二色
化妆步骤
擦黑板简笔画值日生擦黑板简笔画
小马宝莉人形宇宙公主简笔画 简笔画图片大全-蒲城教育文学网
手机店铺维修中心广告标语墙面布置前台背景墙墙贴
华为mate40pro图赏温润触感下的影像旗舰机皇