图知网
搜索
首页
热门推荐
图片分类
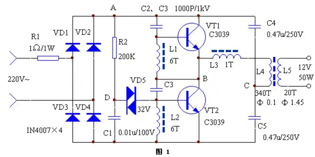
豆浆机变压器220转9v12v3w带线变压器9v12v电源变压器jc35-120150
下载原图
相关图片
12v电子变压器电路图(电子变压器原理及作用)
一天一个电路分析第二季--第二十八弹(电子变压器)
带有中间抽头的话,实际上就相当于正负12v的变压器
12v--24v充电机充满电后自动断电的充电机电路图(我有24v的环形变压器
ac110v220v转dc12v变压器12a150wled灯带铝壳广告灯箱恒压电源
12v 3528 5050贴片led灯带灯条专用开关电源 低压变压器 驱动
为你推荐
红狼台钓钓组双钩手工绑好成品鱼钩台钓鱼线组套装尼龙主子线渔具垂钓
早安语录
天津天河城动物园图片
kda阿卡丽,这么漂亮的老婆不建模出来太可惜了!_哔哩哔哩_bilibili
菠萝和凤梨有什么区别(菠萝和凤梨口感哪个更好吃)
扁平化卡通蓝色旗子图
猪猪明天给你们更新简笔画卡通动漫头像我要个性网
如何评价《天龙八部》中的围棋元素?