图知网
搜索
首页
热门推荐
图片分类
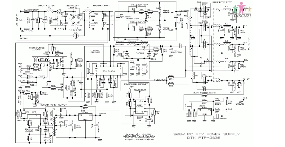
分为两路,一路送到副电源供电电路,副电源首先工作,输出v1-5v电压为
下载原图
相关图片
的开关电源电路图(一)本文主要讲了六款简单的开关电源电路设计原理图
开关电源电路图讲解
开关电源电路图
海尔jsl4065050彩电电源电路原理详解
电脑开关电源原理图上一页第5页 下一页 你可能喜欢 电脑开关电源电路
副电源电路原理图
为你推荐
三胎, 谢贤气到病情加重|谢振轩|娱乐圈|填词人|古典乐|王菲谢霆锋
抖音文字壁纸锁屏朋友圈文案配图
jdm车牌头文字d群马车牌ae86藤原拓海jdm日本改装汽车铝合金装饰牌照
请把你相册里面你最喜欢一张胡先煦的照片晒出来吧
原创少年的你热映央视用三个关键词概括易烊千玺很贴切
感叹号图标
就不要报考了,大家都知道有一个东西的翻译笔,如果不是八大外国语大学
25只远古泰坦巨兽之至尊穆托,它是哥斯拉无法战胜的天敌