图知网
搜索
首页
热门推荐
图片分类
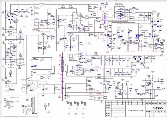
也是康佳"k"型彩电电源的主芯片,有关该电源 的工作原理
下载原图
相关图片
1 676 浏览 13 回复 0 获赞 ob2269cp芯片做的电源板,带载上
九阳jycp-21zd-a(电源芯片ob2226ap)主控板原理图
一台康佳康佳彩电p21sa282电源电路烧坏了
用hd321代换viper22a修复"三星精工dvd-169d"电源图2.jpg
5v1a开关电源的电路图
康佳液晶电源原理图35015751(34007787)
为你推荐
你这个坏女人
四川公务员体检 关于胸片和结晶的问题
《倚天屠龙记》【小昭】她明眸皓齿,桃笑李.
一款名叫黑鲨的民用装甲车成为中国富豪新玩具
报价50000元,这个号码的20元纸币,谁能找到?_人民币_价值_文化
特别销魂的一款汽水
阳台推拉门
卡帝乐鳄鱼品牌真皮小白鞋女鞋子妈妈款运动鞋女士休闲面包鞋单鞋休闲