图知网
搜索
首页
热门推荐
图片分类
制动电阻接线图大全
下载原图
相关图片
电动车刹车灯怎么接刹车灯有两种,一种是高刹,一种是低刹,先给你高刹
新闻详情: 三相异步电磁制动电动机接线图及电磁制动电机说明.
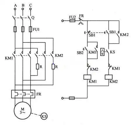
异步电动机反接制动控制接线图
sew电机刹车接线图(罗聂平)
一文了解电动车刹车断电原理图
电动机反接制动控制电路
为你推荐
蓝色梦想已参与:为梦想设计 - 魅族flyme手机主题设计征集阜阳
90年代的照片,每一张都是回忆,其中肯定有你似曾相识的场景
孕检胎位loa左枕前位脐带绕颈一周能顺产吗
twitters new account switch feature on the web just got even
图解丨南泥湾精神自力更生艰苦创业
河南唢呐大全曲谱_河南加油图片大全
深圳地铁17号线一期(平湖线)建设最新消息,线路图 站点 开通时间
「#拍照姿势分享」 高街女孩街头风. - qik-671 - 图虫