图知网
搜索
首页
热门推荐
图片分类
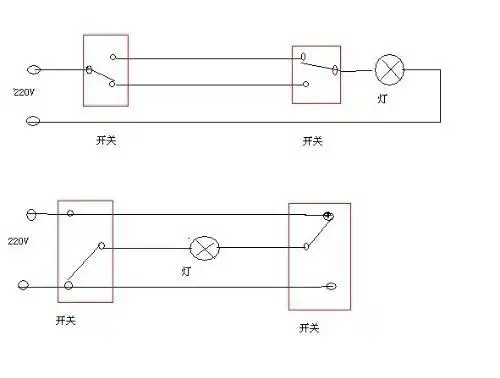
按照下面图片接线即可.
下载原图
相关图片
最全开关接线图:单控,双控,三控,四控,一篇文章尽在其中
一开单控开关接线图解 德顿开关插座告诉您一开单控接法如下: 1.
一开双控什么意思一开双控和一开单控的区别一开双控可以当单控用吗
一灯双控开关怎么接线
一灯双控有3种接线方法,很多老师傅只会第一种,为什么?
一个开关一个灯接线图,多控灯开关接线图-图片大观-奇异网
为你推荐
如何评价女星杨幂?
2022年最火头像高冷女生图片超气质女生真人微信头像图片大全
英雄联盟同人破败军团卡尔玛
东海宾馆
美女孟瑶 气场十足
「每日一萌游」我的vr女友
节能发电汽轮机汽轮机维修齐能汽轮机找淄博齐能热电设
引用 国家5a级旅游景区介绍:九华山