图知网
搜索
首页
热门推荐
图片分类
关于三极管光控路灯的电路图的一点疑问(附图)
下载原图
相关图片
求一个光控小夜灯的电路图,请标明所用电子元件名称型号,谢谢!
求一个简易的光控开关电路图(在线等,急! 拜托了~)
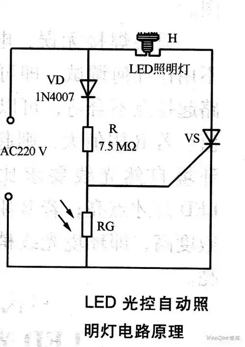
如图为led光控自动照明灯电路原理图.该电路简单易做.
自制光控小夜灯电路
楼道光控led电路原理图
自动光控照明灯电路之一b
为你推荐
僧侣双手合十祈祷
动漫卡通小女孩头像超萌可爱高清图片
perrier法国巴黎水桃子柠檬青柠味气泡矿泉水330ml塑料瓶500ml*24
杨幂时尚先生写真,谁能受得了,太性感了!
死侍简笔画图片怎么画
西游记原著狮驼岭(西游记原著狮驼岭章节)-情感知识库-动动脑
姜华经纪人为拍广告毁约 换角与龚睿那无关?
胸倒立练习