图知网
搜索
首页
热门推荐
图片分类
爱死小小白(70-200f/4l is)记录女儿,回味生活,不定期上片中
下载原图
相关图片
女儿的丰富表情
天啦噜! 国内动漫届超一线男神 小小白 将空降杭城!
天气之子cos来的太快,孩子居然都这么大了?
coser小小白的丑闻图 代表作有哪些人品口碑怎么样
爱死小小白(70-200f/4l is)记录女儿,回味生活,不定期上片中
上周带女儿参加了个舞协联欢会,拍了几张!
为你推荐
穿西装的不一定是绅士也可能是暴徒
南韩第一美人裴珠泫高调亮相157的气场穿搭真给小个子争气
腰大肌解剖示意图-人体解剖图
庞龙两只蝴蝶吉他谱
三亚亚龙湾椰树图片 - 第19张
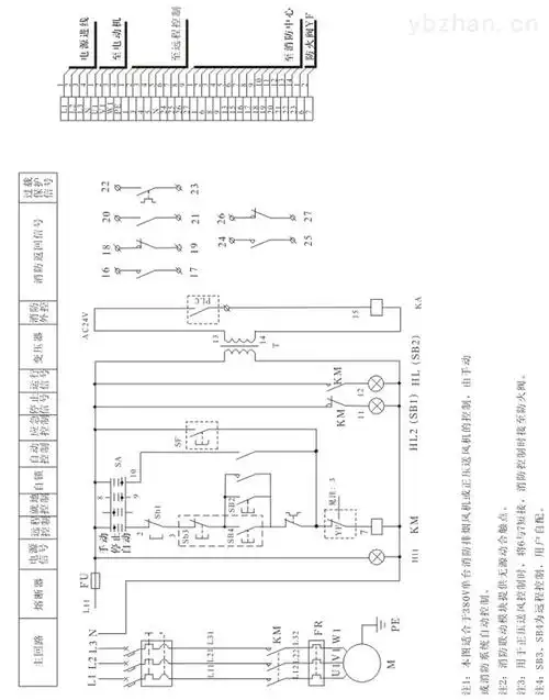
风机电气(消防)控制箱
韩国女艺人李沇熹拍杂志写真展优雅迷人魅力
购入20年途昂380四驱豪华,原版5万公里,仅需18.