图知网
搜索
首页
热门推荐
图片分类
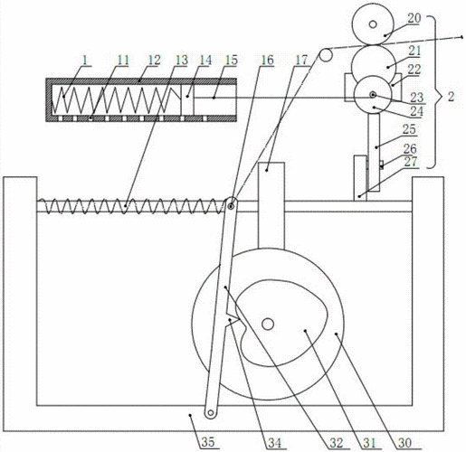
一种绕线式自动收放线机构的制作方法
下载原图
相关图片
自动收线装置制造方法及图纸
一种电线电缆用自动收线装置
一种卷筒移动式自动收放线装置
一种自动收线装置的制作方法
一种车载usb自动收线器
一种卷筒移动式自动收放线装置的制作方法
为你推荐
贾玲瘦身剪影曝光,目测120斤往下,为留悬念春晚都放弃了_腾讯新闻
古力娜扎现身上海机场 all black造型性感优雅
缤纷动物大世界9 - 1920x1200
突然好想你 c调 初学者简易版 钢五双手简谱 钢琴谱_word文档在线阅读
每日美诗1李煜长相思一重山
有什么好听的网络歌曲
唐嫣:公开喊王晶爸爸,与曾志伟拍亲密戏,出道前都经历了什么
儿童画