图知网
搜索
首页
热门推荐
图片分类
施耐德atv310atv310a参数快速入门参考
下载原图
相关图片
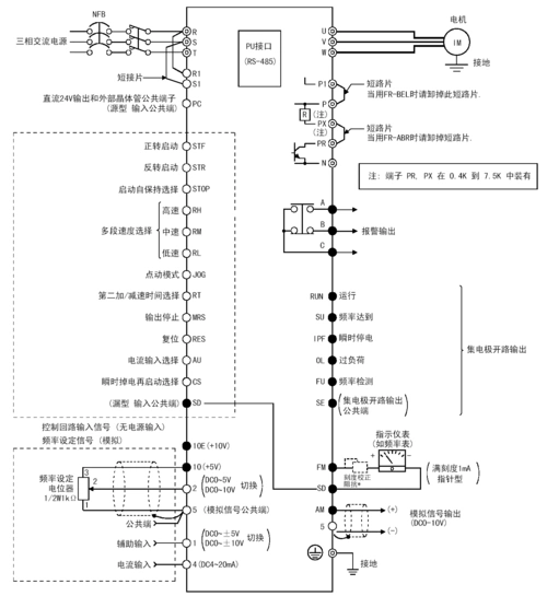
图2-1端子接线图
网线水晶头怎么接 网线插座接法_接线
两个无线路由器设置
schneider atv310_变频器
这样连接无线路由器错了吗?
施耐德ups接线图解
为你推荐
火星的简介 关于火星的起源
都tm退后,老子磕的cp就是最甜的【罗云熙x迪丽热巴】
老王收集王姓头像
你的肤色适合什么发色 适合亚洲女生的染发颜色
【school days】 - animex动漫社
粉色上衣 黑色裤【套装】
爱心熊毛绒玩具
棕榈编