图知网
搜索
首页
热门推荐
图片分类
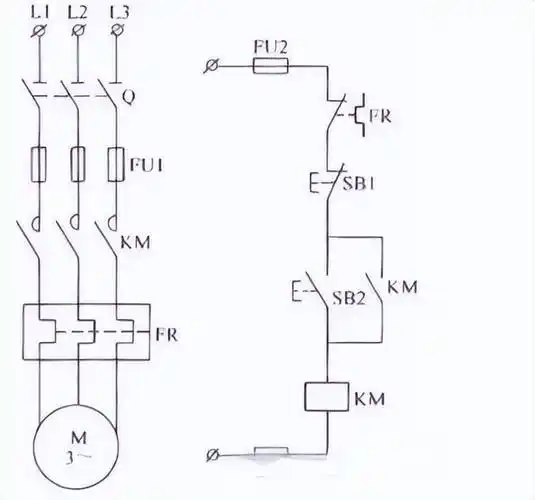
自锁电路原理
下载原图
相关图片
电路图实物详解-10张图带你看懂自锁电路,手把手一步步看图实物接线
接触器的自锁是怎么回事?一起来看看吧!
自锁?以及常见自锁电路_回路_控制_电动机
三相电机自锁控制电路
图1 电机自锁控制电路图
求这张三相异步电动机自锁正转控制线路电气原理图的实物图,不知道
为你推荐
陈红军烈士去世时,他的妻子还怀着孕,这个孩子还没出生就失去了 - 抖
海绵宝宝可爱大牙睡不着啊gif动图_动态图_表情包下载_soogif
怎么画草莓简单好看 带颜色草莓简笔画画法
树干长有很多刺 四季常青的树 是什么树
钩针漂亮的窗帘花样与图解
网球飞来时,运动员的表情
黑豹乐队 - 无地自容[弹唱 c调] 吉他谱
博士研究生学术成果海报展示-太原理工大学化学工程与技术学院