图知网
搜索
首页
热门推荐
图片分类
董璇首谈高云翔事件!
下载原图
相关图片
高云翔带女儿现身前妻餐厅憔悴不少,反观董璇事业爱情蒸蒸日上_苏小玎
董璇高云翔户外照尽显甜蜜
董璇的努力没有白费,高云翔是一个值得她爱的好男人!_经历_见证_夫妻
受老公高云翔事件影响,董璇狂甩奢侈品,疑似经济危机加重?
董璇与女儿合影,老公罕见现身,父女俩如一个模子刻出来的_高云翔_进行
董璇让前夫回家了小酒窝和爸爸一起跳舞高云翔离婚4年认不出
为你推荐
古装最漂亮的美女简笔画
刘亦菲陈晓牵手路透被曝甜度胜过杨幂许凯2人古装扮相太惊艳
《全城戒备》将公映 主演"伤痕累累"不用替身
跨境科睿人仔xp013-020人仔世界杯兼容乐高足球人仔儿童拼装积木
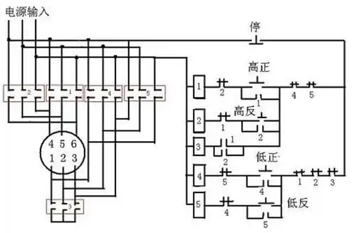
双速电机正反转接线图
痴绣独角兽刺绣贴烫布贴衣服diy时尚百搭修羽绒服补洞装饰补丁贴
儿时的味道妈妈的味道尽在瑞金日日逢圩
艾尔之光艾拉等身抱枕套开学游戏动漫周边二次元宅男腐女生日礼物