图知网
搜索
首页
热门推荐
图片分类
空调电机室外机散热风扇ydk40-6正转反转40w通用风机马达扇配件 ydk
下载原图
相关图片
经历过上门空调清洗的坑后,我决定手把手教你清洗空调!
通用ydk-60-6外机3p三孔位电机空调外机电机制冷配件维修配件全新
空调外机需不需要遮挡?如果需要,如何遮挡?
力岩特空调内机面板驻车空调外机控制压缩机驻车空调配件大全
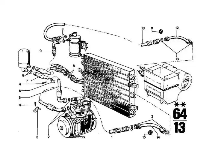
空调器 零件 64_0873
全系海信科龙变频空调外机kfr2672wfzbphj主板空调配件
为你推荐
康熙五彩人物盘子
男生短发发型设计男生5款简单时髦的短发
中央净水前置过滤器产品尺寸
山海关为什么是天下第一关山海相连海滨胜地三维地图看秦皇岛
loull_aroll_creak_画面
有机菜花约500g
血族禁域梵洛伽南宫朝颜
正版陈百强cd专辑 一生何求母带级无损音质1:1母盘直刻车载cd碟片