图知网
搜索
首页
热门推荐
图片分类
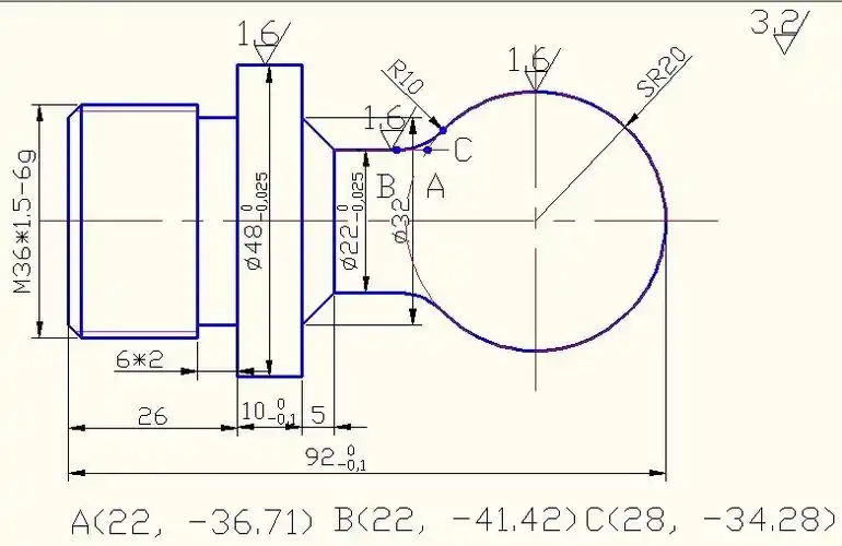
数控铣床编程实例
下载原图
相关图片
数控铣床fanuc系统编程代码共24页
数控综合螺纹编程实例doc35页
节数控铣床编程实例
求这图的数控编程,在线等
法兰克数控车编程 求助(有图),编了好几遍用仿真软件一试还是错的,只
数控车床编程求助. 有图的 就下图.那位师傅可以帮忙编个程序. 导程2.
为你推荐
快手情侣头像2021最火一对 情侣头像图片大全 -【爱个性】
汉堡简笔画
这是闺蜜头像,有可爱,有漂亮的,还有两张沙雕的 - 抖音
1600_2844竖版 竖屏
高旻睿,这几年在圈内小有名气,大家对他最熟悉的就是几年前他参加的
女明星谁的胸最大(女明星谁的胸最大最软)
王者荣耀:虎牙主播可杰被封!直播中切屏,后台出现"不可描述"电影!
2个手指简笔画