图知网
搜索
首页
热门推荐
图片分类
满江华府用超大景观阳台照亮生命
下载原图
相关图片
超大景观阳台
一,二层超大景观阳台
11米超大观景阳台俯仰之间万物皆得
7米南向超大观景阳台 ,盛放生活的美好期许.
超大阳台!无敌景观!高绿化.九洲玉带湾
大平层超大观景阳台!
为你推荐
迷你世界山顶树屋,贴近大自然!
把日常生活的场景与动漫巧妙融合唯美带着安静的气息画师推荐
小李子莱昂纳多迪卡普里奥作品混剪
收藏甜卡哇伊表情符号表情集
墙壁装饰墙纸贴画儿童卧室卡通字母宝宝婴儿房间早教墙贴纸幼儿园墙面
固定角度旋转结构
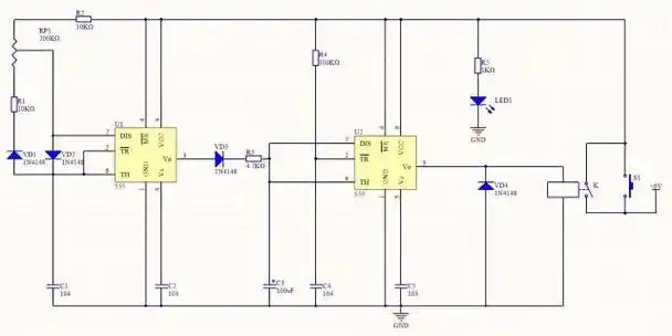
长延时定时器原理图
北欧实木餐桌现代简约轻奢长方形日式桌椅组合吃饭桌子家用小户型全