图知网
搜索
首页
热门推荐
图片分类
老男孩20周年海报# 由朴赞郁执导的《老男孩》公布了一张20 周年版
下载原图
相关图片
比较冷门,却值得观看的电影《老男孩》
老男孩(汉化版)
老男孩2003
2003韩国剧情悬疑老男孩原罪犯韩版中英字幕bdmp41080p
老男孩在线观看,免费hd电影完整版 - 三米影视
一部复仇电影看到最后变成伦理的韩国影片《老男孩》
为你推荐
任嘉伦宝贝动图
卧槽这就是龅牙妹是时候展现龅牙的了
抽烟的男人图片微信男生头像抽烟沧桑男人抽烟头像伤感图片_微信头像
岔路口不知如何选择的商务人士职场人生
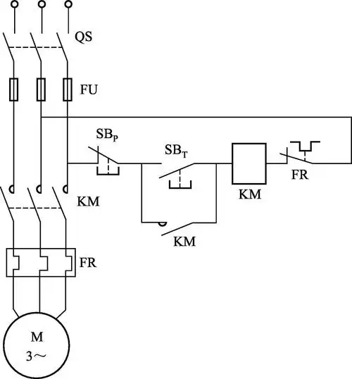
第一节 电气图的分类 - 电工识图掌中宝 - 知乎书店
妈妈骑电动车带孩子简笔画
中国传统纸质手工窗花剪纸苹果儿童学校幼儿园教室镂空装饰贴纸画
昔日雪如花今来花似雪剪纸雪花教程分享