图知网
搜索
首页
热门推荐
图片分类
如何画一个正在融化的冰块
下载原图
相关图片
雪融融的简笔画
冰的简笔画冰的简笔画怎么画
融化的雪人
生态环境冰冰山融化粗体和黑色细线图标集
春游冰雪王国简笔画
2022北京冬奥会雪容融简笔画画法
为你推荐
漫画丨生日快乐!我深爱着的空军蓝
faded数字简谱
"飞阅"青铜峡
又画远坂凛了,先放个草图除草
欧洲贵族纹章的历史与讲究有哪些?
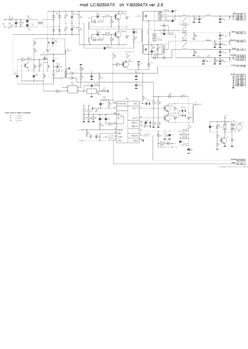
atx 电源电路图(一)
柳河县长青小学
从戈壁滩到大草原~中国铁路内陆最大环运转(3)——哈密-锡林浩特