图知网
搜索
首页
热门推荐
图片分类
集成块mc14066bcp的引脚功能
下载原图
相关图片
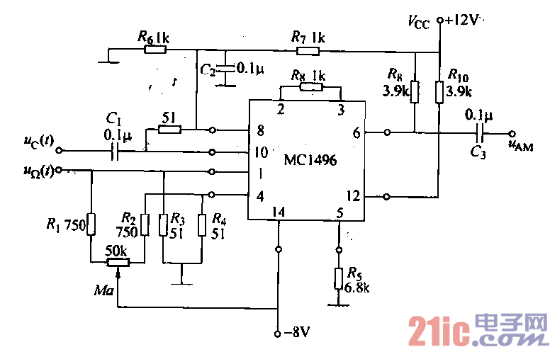
用mc1496构成的调幅电路
1 mc1496内部电路和引脚图
mc1496bdg mc1496bdr2g sop-14 调制器/解调器 全新原装
进口 贴片 mc1496dr2g mc1496dg 平衡调制器解调器ic 封装sop14
电路的功能mc1496作为ic平衡调制电路被广泛应用,电路的基本连接与
mc1496p1 引脚图
为你推荐
话剧幺幺洞捌倪妮韵味剧照
张翰白色西装亮相发布会 梳飞机头自嘲:抬头纹更重了
石家庄4.2米蓝牌货车自卸 - 抖音
热点宣化区部分小学招生简章公布家长们快看
一条巨型白蛇在越南网络上走红,很多人纷纷围观这条"恐怖"的白蛇
【广州粤海喜来登酒店】广州粤海喜来登酒店地址,广州粤海喜来登酒店
蒋辉_万科魅力城-现代奢华装修卧室效果图
微距新世界——小椿象