图知网
搜索
首页
热门推荐
图片分类
顶级烧脑怒刷五星牛x
下载原图
相关图片
cad绘制皮卡丘
皮卡丘怎么画一分钟教会你画超级可爱的皮卡丘
大眼睛,小鼻子和小嘴巴第八步上色完成,大变身皮卡丘可爱还是我可爱?
零基础绘画教程皮卡丘
日本画师画的这组宠物小精灵同人皮卡丘看了想打人
"有被网友内涵到|大喜|驾照|皮卡丘_网易订阅
为你推荐
林允儿清纯写真时尚大片桌面壁纸
跑男团年龄小的飞行嘉宾,关晓彤年纪最大,最小的只有
在黄鹤楼上,和你元气say hi头戴樱花的粉色小怪兽萌萌萌!
之前网上一直传言有很多人看了微笑恐怖狗的照片中精神出现了幻觉
埃罗芒阿老师壁纸22
寻美恩施#【八百里山川美如画】从此诗在巴东县,不属灞桥风雨中.
套房主卧室
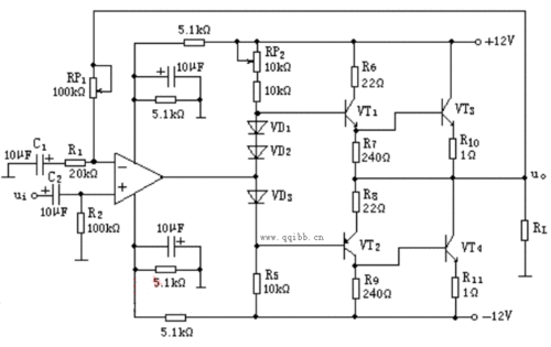
设计一个ocl功率放大电路.指标要求如下 :负载8Ω , 输出功率8w