图知网
搜索
首页
热门推荐
图片分类
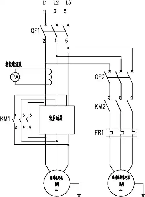
设计一个送料小车控制电路
下载原图
相关图片
一种自动控制给料机的电气控制系统
一种埋弧焊弧压反馈送丝的控制方法及电路
夹式送料机
一种精密滚轮整平送料机
西门子博途编程案例08(送料小车的自动控制)
一种带式输送机张紧装置液压系统
为你推荐
黄晓明曝光baby孕照 女星大肚照pk谁最美
用内心浇灌热土#朗姿lancy#携全球品牌代言人@宋佳演绎2023秋冬系列
用以下字母表示四分体,同源染色体?姐妹染色单体,非姐妹染色单体.
又蕊小娘子元气壁纸>电脑静态壁纸>电脑明星静态壁纸>bts 防弹少年团
不来阿塞拜疆,都不知道石油还可以用来泡澡,用的可是真石油_古丝绸
鸳鸯红颜简谱图片
河南郑州门窗厂招制作人员及杂工
动漫被少女用脚踩是什么感受是无所谓还是脸皮够厚呢