图知网
搜索
首页
热门推荐
图片分类
满族关姓是什么旗 满族八大姓氏,满族八大姓氏
下载原图
相关图片
满清八旗分别是哪八旗?他们的排序有什么规定?谁又是第一旗?
满族八大旗对应姓氏
上三旗姓氏 满族镶黄旗姓氏,满族镶黄旗姓氏
满族八大姓氏是什么旗八旗是哪八旗1615年创立
清朝灭亡后,满族八大姓改成了啥汉姓,原来这些明星全是满人后代
满清八大姓氏分别是佟佳氏,瓜尔佳氏,马佳氏,索绰罗氏,赫舍里氏,富察
为你推荐
徐绍泽曝西装写真 硬汉玩转绅士风范
古风男头
data-lemmaid="3198538">靴形心 /a>,是指心脏浊音界向左下扩大,心
站姿速写照片素材#速写
翡翠挂件大号牌男生肖飞龙在天龙牌龙挂件货冰种天然颈饰
系列通体大理石流金艺美系列高端工艺背景墙空间效果客厅卧室卫生间
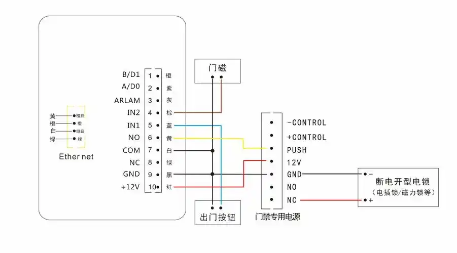
二维码门禁一体机接线图
往生堂大切绘原神胡桃原神钟离