图知网
搜索
首页
热门推荐
图片分类
踩小人 好运来
下载原图
相关图片
踩死你_踩死表情
你可以踩小人!但你不可以踩错了"小人"
易烊千玺帮你踩小人
立冬踩小人
本命年踩小人
女人,红色,高跟鞋,踩踏,男人
为你推荐
我心目中最帅男明星排行榜
杨颖简介
苹果ios 13系统默认壁纸1440x900分辨率查看
vitalu给富田拉面的食评| openrice 中国大陆开饭喇
盘点因患癌症不幸去世的15位明星艺人,哪几位让你觉得痛心怀念?
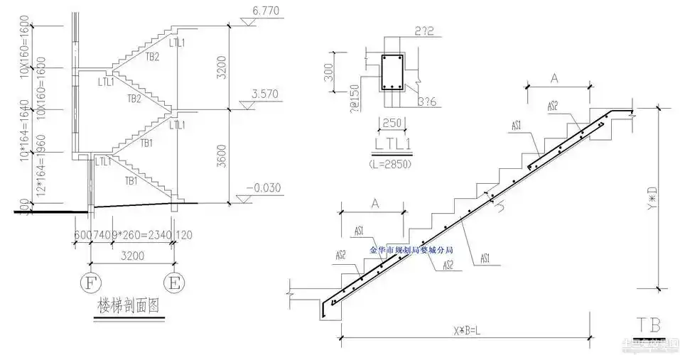
双跑楼梯剖面图设计
开着小推车的花园宝宝涂色卡通简笔画大全
异形宣传栏设计