图知网
搜索
首页
热门推荐
图片分类
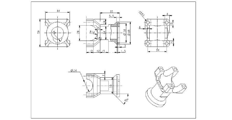
catia 成品零件图过程
下载原图
相关图片
经典catia三维零件图
catia机械零件建模实例
catia看图建模练习题及制图步骤
经典catia三维零件图
catia系列零件模块练习图
catia_3d 666 零件纯实体建模练习
为你推荐
【油画棒临摹】莫奈系列:讲一讲《日出·印象》的故事吧
刘逸云,郑秀晶
怎么简单画爸爸妈妈一家四口简笔画步骤图解
刘诗诗古装侠女造型亮相 红衣长袍 手握长剑 眼神冷冽酷飒有型
沙雕闺蜜头像来一波哈xswl
2019年利姓女宝宝起名,2019年利姓女宝宝名字大全
张晋西装暴徒
《望夫成龙》吴君如爱得卑微,"凤凰男"周星驰迷途知返破镜重圆_金水