图知网
搜索
首页
热门推荐
图片分类
风力发电机组变流器基本原理
下载原图
相关图片
变压器工作原理图
单相变压器工作原理图解
交流电3变压器
cn211744358u_一种高速列车容错型牵引变流器主电路
变压器 - 热门商品专区
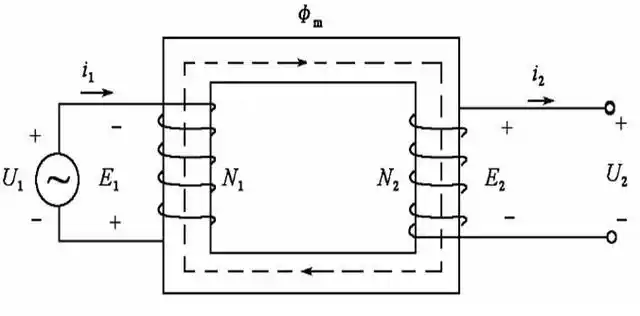
变压器工作原理
为你推荐
看到最丑的中分发型吓傻了韩国小哥哥梳中分发型帅是因为这个2
能把刘欢唱哭的霍尊,被网红评审员评价硬凹"国风"
女女叫唯美,男男叫干净,男女叫浪漫. 它们有一个共同的名 - 抖音
新疆摄影克孜尔魔鬼城
原创| 小学生"成长的烦恼"日记两则
优秀室内设计案例赏析
北京市浪涛食用冰块销售有限公司
男生学芭蕾舞护身怎么穿