图知网
搜索
首页
热门推荐
图片分类
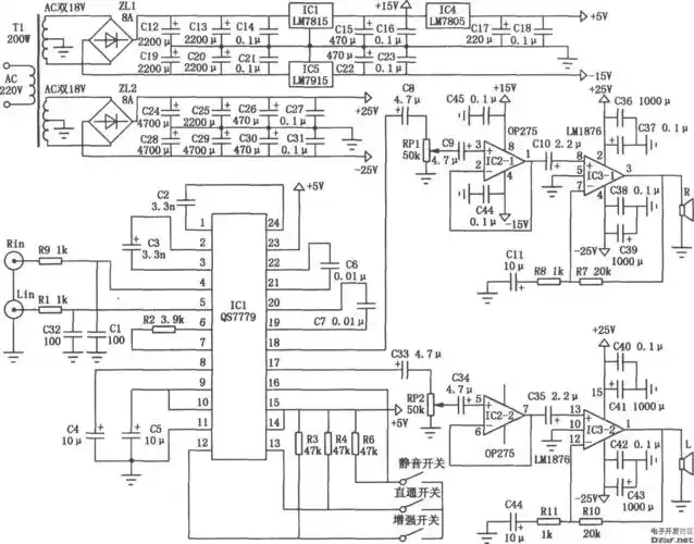
各类典型功放电路大比拼
下载原图
相关图片
谁能帮帮提升这功放电路!
音频可调功率放大器电路图
合并功放电路图
多媒体hi-fi功放_原理图论坛_单片机电路论坛_mcu资讯论坛 - powered
4702 mos.jpg
m22k先锋功放电路图
为你推荐
邪骨团日常13
这是韩顺军像(资料照片). 新华社发(绵竹市公安局供图)
超污又超甜的情侣日常插画老脸看红了
蔚来et7隔音优于5系,开窗和关窗是两个世界
广外实验中学初一(5)班军训
半足假肢介绍知乎版romantic4585友情提供
五人议事小组第五次会议
汉斯霍夫曼抽象表现主义之父