图知网
搜索
首页
热门推荐
图片分类
武安九龙山生态园一览
下载原图
相关图片
九龙山一日游
九龙山游记
畅游九龙山
九山顶路线图
蓟州远足环线九龙山
美景如画的九龙山风景区-我的旅行日记_文化_中国_季节
为你推荐
卡车简笔画内附过程图
少年感拉满的学院风发型
穿着运动服,头巾和耳机在户外跑步的女孩.在街上锻炼女性.照片
卡通松饼图标表情符号插图孤立
国际减灾日|构建灾害风险适应性和抗灾力
b>看动画学拼音 /b>, 在故事中学习拼音b的发音, 海星小博士让孩子爱
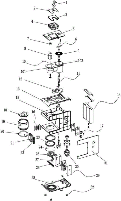
一种具有磨豆和冲泡功能的滴漏式咖啡机制造技术
那么多人想去北欧拍极光但首先你要看到极光