图知网
搜索
首页
热门推荐
图片分类
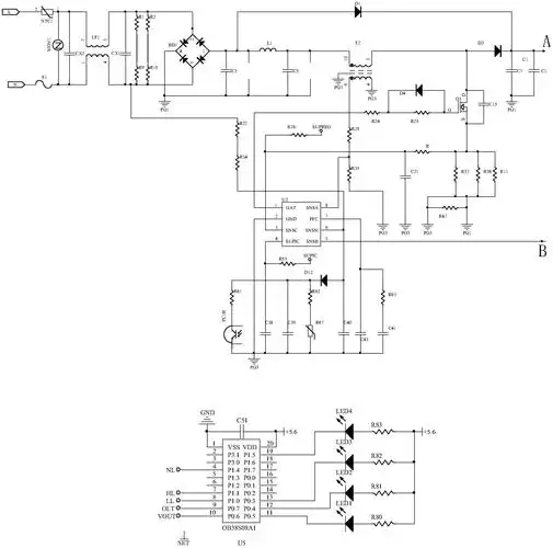
3.7v锂电池充电电路图
下载原图
相关图片
四款经典3.7v锂电池充电电路图详解-其他基础电路图-电子产品世界
3.7v锂电池充电方法,过程的四个阶段介绍
锂电池充电器电路
3.7v锂电池充电详解
7v锂电池供电系统设计(含充电,保护,供电及电源切换电路器件选型和
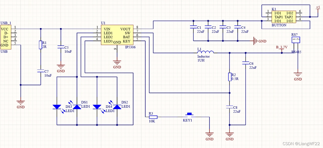
pcb37v锂电池5v充放电控制电路ip5306画板笔记
为你推荐
图解破锋刀法
两只小白兔
青年女演员徐婷病逝引关注 生前曾为了家人拼命拍戏累坏身子
对戒宝典tiffany蒂芙尼t字戒指
分类整理垫板文件夹大号简约科目试卷收纳带整理神器试卷夹子|粉色3本
23年初级会计准考证打印时间
深圳天虹商场(龙岗双龙天虹)相关搜索结果推荐-大众点评网
白族刺绣,我的纯手工. - 抖音