图知网
搜索
首页
热门推荐
图片分类
洁净厂房设计与施工陈霖新_2021年洁净厂房设计与施工
下载原图
相关图片
实验室举办林炳雄教授陈霖新教授兼职教授聘任仪式暨可
陈江
中国首个氢能小镇落户浙江台州 预计总体投资160亿元
洁净厂房设计与施工陈霖新_2021年洁净厂房设计与施工
陈九霖
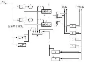
燃气冷热电三联供技术及其应用情况
为你推荐
大胆裙装,秀出小蛮腰,blackpink朴彩英苗条身材,凸显性感魅力
西湖宫灯儿童发光头发簪子头饰古风发光灯笼新款新娘配饰三千名灯
《妻子的浪漫旅行》收官!陆毅鲍蕾朗诵情诗,哭着告白让人感动
潘玮柏 / 弦子一首《不得不爱》经典歌曲永难忘!
买衣服去哪里 哈尔滨逛街买衣服去哪里
专题卡农钢琴简谱数字版
荷塘小炒,颜色和营养的配搭上是很讲究的,虽为素菜,色香味俱全
人工智能云计算机ps艺术字体-人工智能云计算机ps字体设计效果-千库网