图知网
搜索
首页
热门推荐
图片分类
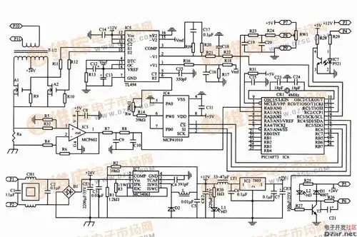
【图】dk124 24w充电器适电源方案芯片 适配器电源芯片_集成电路(ic)
下载原图
相关图片
电源6脚ic芯片代换经验资料
大侠们,请问273g41电源ic用什么代替
8脚电源管理芯片电路图
48v转12v电源芯片电源芯片电路图
(转帖) 戴尔se198wfpf e198wfpf电源电路电源芯片sg6841维修案例与
基于dcdc控制芯片的开关电源电路图
为你推荐
纪敏佳的结婚照像娶了个老公而张庭的结婚照总觉得哪里不对劲3
透明人
周深】央视跨年《雪落下的声音》 《大鱼》饭拍(*^o^*)
山东省17地区车牌字母地图,各代表什么含义,为何青岛,潍坊2个
四,横梁压顶不少人家中的装修喜欢用深,重的色调,这样看上去虽然很有
鸡冠花,秋季最美的花,写意花鸟画的好素材 - 抖音
恶魔城苍月的十字架中文版(nds)
寝室里的和平共处条约