图知网
搜索
首页
热门推荐
图片分类
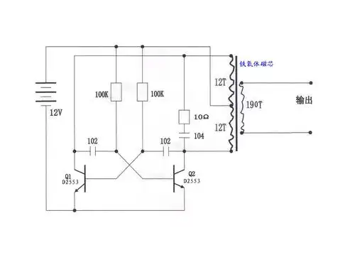
电子打鱼逆变器电路图全集
下载原图
相关图片
自激推挽逆变器原理-电子电路图,电子技术资料网站
直流到交流逆变器
今天 15:43 最佳答案 给你画一个简易逆变器的制作电路图.
48v逆变器 原理图
自制简易逆变器电路图
pwm逆变器电路图工作原理
为你推荐
11张小丑鱼金鱼幼儿卡通小鱼简笔画
学习笔画:横折提
定罗湖山庄4室4厅4卫257.6㎡南北200万
百合莉莉 138
塔纳迪普·斯里通苏克 bank thanathip srithongsuk 图片
201819赛季意甲联赛ac米兰全部比赛英语俄语现场音
警方介入调查南宁中学校园欺凌事件
魔性十足的《千花舞》动画短片动漫群里传遍了!