图知网
搜索
首页
热门推荐
图片分类
大型综合商店电气装修施工图电气cad施工图纸下载
下载原图
相关图片
装修设计与施工#家庭装修电路系统图/店铺装修电路系统图#教 - 兑音
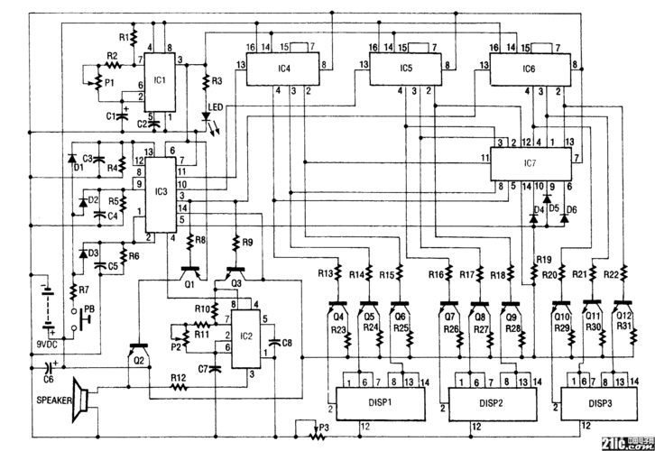
电子自动售货机电路图
电子自动售货机电路图
大型综合商店电气装修施工图电气cad施工图纸下载
(原文)plc商店自动门控制.doc
店铺来客告知器电路
为你推荐
冠的拼音怎么读
王俊凯超话#bolon王俊凯6周年##bolon暴龙眼镜品牌全球代言人王俊凯
2020款男式古装汉服长袍 棉麻中式男款修身上衣外套代理加盟
后来因为拍戏结识莫少聪
好汉歌五线谱
所有分类 世界地理复习——亚洲东亚日本思路清晰 亚洲 —— 河流 勒
矢量手绘被八路军消灭的日本兵
笔记本电脑键盘各键名称与位置(最好有图)