图知网
搜索
首页
热门推荐
图片分类
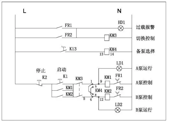
三箱电动抽水泵接线图
下载原图
相关图片
消防泵的接线
水泵自动控制电路图
水池水泵自动抽水控制电路,简单实用,电工电子实践,不要错过!
水泵自动控制电路图
单相潜水泵接线图
有谁能给我自动抽水泵的接线图呀?
为你推荐
小女孩祈祷
手机主题
某综合楼电气施工图-建筑电气施工图-筑龙电气工程论坛
偶像美少女snh48-陈琳迷人写真美照欣赏_高清图集_新浪网
520给男朋友送了榴莲花
不会有人不想看p2的帅哥吧
姓氏头像萧_头像图片_扣扣乐园
豫剧佘太君凤冠京剧戏曲舞台老生老旦冠帽子凤冠五凤冠戏剧