图知网
搜索
首页
热门推荐
图片分类
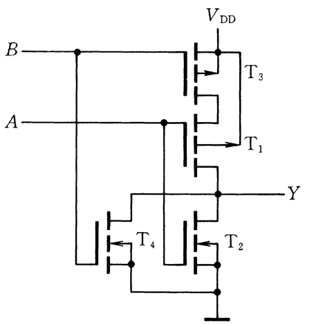
与门电路_或门电路_非门电路_复合逻辑门电路_逻辑门电路原理
下载原图
相关图片
图51 ttl或非门电路
图26 cpms或非门
与非门组合电路中输入两个高平时输出3v而不是5v为什么?
2输入cmos或非门电路如下所示,它由两个串联在v dd和输出之间的p沟道
用与非门设计一个四变量多数表决电路 急求.
或非门
为你推荐
家常菜 菜谱图片
十个勤天夺回股权#种地吧超话#种地吧##爱奇艺倒闭#能怎么办呢,看
是空客a320,38之前都锁定了,不能选的.
机场里出租车运力充足!
打造人民满意银行工行延安宝塔支行克服困难集体会诊处理客户历史悬疑
还珠格格 赵薇 小燕子
包邮珍珠对簪步摇长流苏步步生莲簪子汉服古装头饰旗袍cos仙女
英伦十八房产证实拍图长期坚守社会责任,只为回馈城市厚爱,这背后不