图知网
搜索
首页
热门推荐
图片分类
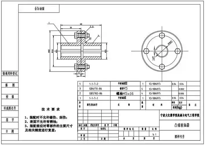
不怕你不懂!联轴器的选用与安装方法
下载原图
相关图片
电机与联轴器安装示意图
联轴器和电机如何通过计算,通过计算值选型?
a4联轴器装配图pdf
离心泵传动件各类联轴器的介绍
减速机试验台联轴器的改进
批发联轴器步进电机雕刻机联轴器gc-25x32-6x12联轴器专业制造
为你推荐
严浩翔
校草不只有颜值,更有实力!
可爱睡姿的小猫咪4k壁纸壁纸
【神奇宝贝合体进化】豪力"融合"阿柏怪后变得超酷,毫无违和感!
藏羚羊是中国青藏高原的特有动物,国家一级保护动物,被藏族同胞称为"
近日,湖南省永州市宁远县湾井镇下灌村一带,万亩良田,稻谷飘香,"丰"景
cmaj7和弦怎么按
【自营旗舰店】电磨机小型手持抛光木雕玉石雕刻工具打磨机微型家用