图知网
搜索
首页
热门推荐
图片分类
西安标志性建筑之一 长安塔
下载原图
相关图片
建筑化身多彩冰淇淋钟楼西安地标如何爆改美味冰淇淋~现在就跟着
建筑之美 .新落成的西安科技馆美轮美奂,现代感十足. - 抖音
西安!
城市会员 - wtcf-世界旅游城市联合会官方网站
这两座标志性建筑位于市中心,是西安的地标,19:10亮灯.6.
现代化的高楼大厦,从深邃的历史文化到前沿的科技创新,西安的每一个
为你推荐
拼音作业:规范书写单韵母a和单韵母o的笔顺和四声声调共两面.
【图】朴信惠李敏镐吻照欣赏 俩人承认热恋好似炒作
首页 鞋材 真皮料 牛皮鞋面 >低价出售头层全粒面纳帕牛皮 适用各种
如何处理工作中针刺伤:15个步骤
玥之秘水晶防晒喷雾spf50pa180ml
国士无双 文字素材 橡皮章素材 作图素材 泼墨字 手写 原创
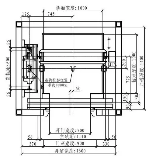
家用电梯尺寸
合作中国健美李燕花叶彤