图知网
搜索
首页
热门推荐
图片分类
pcm1794a-q1 typ_app_circ.gif
下载原图
相关图片
cs8412pcm63组成的dac电路图
之前用pcm1794a和opa1611做了个解码器,iv和lpf电路使用的opa1611
心得经验csr8675pcm1794一套完整的蓝牙5024bitldac解决方案制作随笔
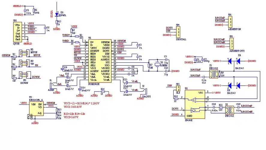
我做的带数字输入输出的usb声卡(使用pcm2902)
pcm1794adbg4 pdf下载及第18页内容在线浏览
请问大神,我用的dac是pcm1794,那么运放用哪个型号的比较好?谢谢
为你推荐
珍藏版绝美超仙红色系梦幻仙气动漫女生头像
袁姗姗的玉足1
香奈儿包包怎么选?要买包的姐妹们注意啦 包包涨价速度还得看 - 抖音
异形恐龙
魅族魅蓝note6手机3gb16gb
卖点国际商品展示架的保养方法
阿洛刻:"第二次购买,因处方药,整体过程不错,很快." - 京东
当前位置:>首页>胡杨网2022>师团新闻>一师>粘土作品《我们是祖国明天