图知网
搜索
首页
热门推荐
图片分类
732); 线电流=相电流; 线电压超前相电压30°; 三角型接法(△) 线电压
下载原图
相关图片
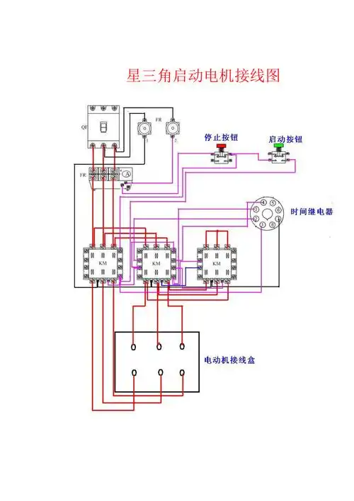
星三角启动电机接线图
星三角启动 详细接线图,#星三角启动 控制电路!#星角降压 - 抖音
星三角连接?
星三角启动电机接法
星三角起动控制接线图
星三角启动原理及接线图
为你推荐
可以单独追踪每位成员的动态,省时,省事.
方管卡不锈钢
吊顶方通效果图分享 #吊顶 #装修公司 #木工装修 - 抖音
靠实力出彩 realme x7 pro c位色图赏
艺脉相承 | 曾小敏:让粤剧走进年轻人,传承创新不停歇
湖南长沙古寺庙佛像内景
喜讯优美西点与罗森尼娜成功签署校企合作协议
乐立方3d海盗船立体拼图成人潮玩高难度拼装船模型安妮女王复仇号