图知网
搜索
首页
热门推荐
图片分类
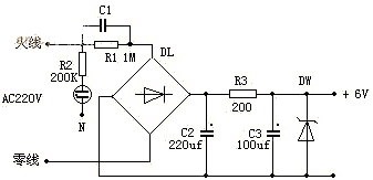
请教:阻容降压电路上为什么这个电阻会烧坏?
下载原图
相关图片
采用电阻降压启动的电动机控制电路
定子电路串电阻降压启动控制线路图
几个实用电路阻容降压原理
阻容降压原理
定子绕组串电阻(或电抗)降压起动线路 - 电机控制电路 - 21ic中国电子
电阻电容降压式稳压电源电路图
为你推荐
逛街图片免费下载_逛街素材_逛街模板-新图网
宋亚轩高会##宋亚轩同款##宋亚轩神图##宋亚轩非我不可预告
射雕英雄传人物海报##射雕新海报诠释武侠气韵##电影射雕英雄传现之
《山村月夜静俏俏》 巢金红 摄
三月芳菲始慎终追远时
季 #小红书冰雪季 #小红书冰雪季 #小红书冰雪季 #长得俊cp #丞坤cp
红军四渡赤水路线
沃老汉最强nba入手点券威尔金斯