图知网
搜索
首页
热门推荐
图片分类
可怜句子怎么写
下载原图
相关图片
心情抑郁的时候发的朋友圈文案 这个世界真好 每天都有不同的难过
伤感文案语录贴纸ins风抑郁系遗憾伤心文字diy手账桌面贴画防水贴
自带很丧的短句丧文案语录伤感短句
深夜抑郁的伤感文案
抑郁症患者的内心世界!自愈和崩溃之间徘徊切换!
"特别伤感的抑郁文案." #惊艳到你的句子
为你推荐
日韩风赵丽颖同款星星发夹五角星少女头饰ins夹子网红韩国发卡女
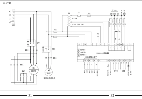
华达永磁变频螺杆式空压机操作说明书电气接线图
农村70平小户型三层别墅设计全套图纸
【厂家现货供应】虹吸雨水管件 虹吸雨水斗 虹吸同层排水管件
八步区
20集电视连续剧征服
黑白美女侧面头像 忧伤美女侧面黑白图片
宝马(进口) 宝马4系 2023款 425i gran coupe m运动曜夜套装